|
WS/WSD小通用軸特性及應用:可在小于45的情況下使用小扭矩工作。它適用于主要連接不同軸的傳動軸,不能起到緩沖和減振的作用。可根據要求打開鍵槽、六方孔、四角孔。
WS -雙軸型;
WSD -單軸式;
![]() WS/WSD小型萬向軸的參數及主要尺寸:(JB/T 5901-91) mm ![]() |

|
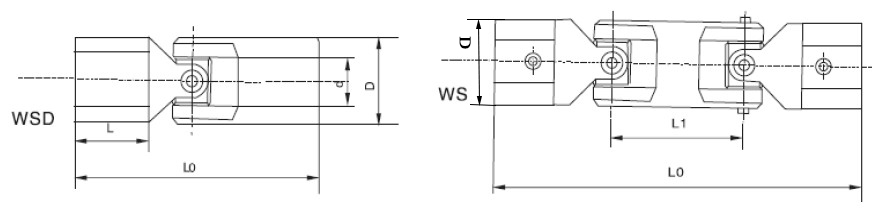
WS/WSD小通用軸特性及應用:可在小于45的情況下使用小扭矩工作。它適用于主要連接不同軸的傳動軸,不能起到緩沖和減振的作用。可根據要求打開鍵槽、六方孔、四角孔。
WS -雙軸型;
WSD -單軸式;
![]() WS/WSD小型萬向軸的參數及主要尺寸:(JB/T 5901-91) mm ![]() |
鎮江海誠機械制造有限公司
? 海誠集團 版權所有 All rights reserved.
地址:江蘇省鎮江市高新技術開發園區68號 ??服務熱線:18913433240
公司電話:0511-85783292 ??公司傳真:0511-85019680(自動接收)
Copyright ? 鎮江海誠機械制造有限公司 版權所有 蘇ICP備14043855號-6